一、產品簡介
LXLCZ-40~600系列大口徑光電直讀遠傳水表是采用了光電技術直接讀取字輪碼盤用水數據的大口徑遠傳水表。具有計量精度高、始動流量小、抄表方便、外型美觀、安全衛生、壽命長等特點。在平常無須供電,只有抄表瞬間供電,功耗低,且直讀電子模塊與計數系統沒有機械接觸,不會影響表計的計量性能,不存在累計計量誤差。
二、產品特點
1.采用可拆的螺翼式計量結構。
2.低功耗設計,只有讀數和閥門開關時才需供電。
3.直接讀取字輪數據,可將讀數誤差降低至零。
4.采用數據編碼及校驗技術,通訊可靠性高。
5.水表輸出的總線只需掛接,維護非常方便。
6.計量性能優良:光電傳感器固定在表內的非轉動部位,不接觸任何機械轉動部分,通過發光、反光來采集信號,因此不會產生計量方面的問題。
7.制造工藝獨特:由于采用在字輪周圍分布光電傳感器的方案,這一部分可以單獨制作,然后在不影響表計結構的前提下,安裝在表內。生產過程簡單,組裝容易,適合大批量生產,而且該部分可以單獨測試,保證了產品的可靠性。
8.模塊通用性好:光電直讀水表通用性好、可加工性強、適應能力強。其字輪直讀部分可以制作成為總成,其中包括印有特殊標記的字輪、表盤上夾板、電子部分。該總成可有專門的生產廠家一次制成,可適應國內大多干式和液封式水表。
9.運行時間長:使用壽命大大延長。由于和表計的機械轉動部分不接觸,不會對表計的常年運行造成影響。同時,光電傳感器平時不工作也不通電,電子部分的可靠工作時間遠遠大于機械表計的使用壽命。所以,適合長期運行和重復使用。
三、流量技術參數
| 型號 | 公稱口徑 DN | 計量等級 | 過載流量 Q? | 常用流量 Q? | 分界流量 Q? | 最小流量 Q? | 最小讀數 Min | 最大讀數 Max |
| mm | m3/h | m3 | ||||||
| LXLCZ-40 | 40 | B | 20 | 10 | 0.8 | 0.2 | 0.0002 | 999999 |
| LXLCZ-50 | 50 | B | 30 | 15 | 3 | 0.45 | 0.0002 | 999999 |
| LXLCZ-65 | 65 | B | 50 | 25 | 5 | 0.75 | 0.0002 | 999999 |
| LXLCZ-80 | 80 | B | 80 | 40 | 8 | 1.2 | 0.002 | 999999 |
| LXLCZ-100 | 100 | B | 120 | 60 | 12 | 1.8 | 0.002 | 999999 |
| LXLCZ-125 | 125 | B | 200 | 100 | 20 | 3 | 0.002 | 999999 |
| LXLCZ-150 | 150 | B | 300 | 150 | 30 | 4.5 | 0.002 | 999999 |
| LXLCZ-200 | 200 | B | 500 | 250 | 50 | 7.5 | 0.002 | 999999 |
| LXLCZ-250 | 250 | B | 800 | 400 | 80 | 12 | 0.002 | 999999 |
| LXLCZ-300 | 300 | B | 1200 | 600 | 120 | 18 | 0.02 | 9999999 |
| LXLCZ-350 | 350 | B | 1600 | 800 | 160 | 24 | 0.02 | 999999999 |
| LXLCZ-400 | 400 | B | 2000 | 1000 | 200 | 30 | 0.02 | 999999999 |
| LXLCZ-500 | 500 | B | 3000 | 1500 | 300 | 45 | 0.02 | 999999999 |
| LXLCZ-600 | 600 | B | 6000 | 3000 | 600 | 90 | 0.02 | 999999999 |
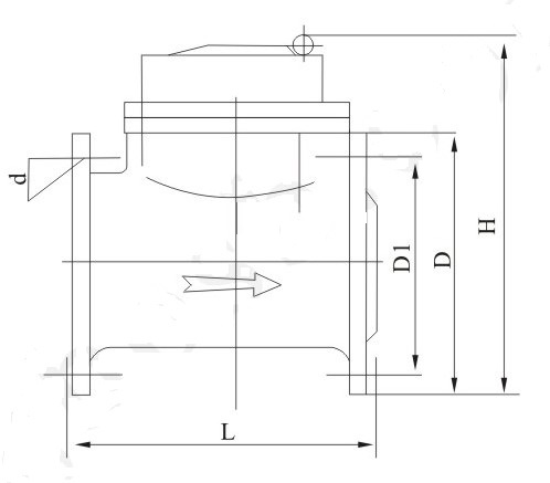
四、外形及規格尺寸

| 型號 | 公稱口徑 DN | 長 L | 寬 B | 高 H | 連接螺紋 | ||
| mm | mm | 法蘭外徑 D | 螺栓孔中心圓直徑 D1 | 連接螺栓 | |||
| LXLCZ-40 | 40 | 200 | 256 | 400 | 165 | 125 | 4xM16 |
| LXLCZ-50 | 50 | 200 | 256 | 400 | 185 | 145 | 4xM16 |
| LXLCZ-65 | 65 | 225 | 276 | 400 | 200 | 160 | 8xM16 |
| LXLCZ-80 | 80 | 250 | 286 | 400 | 220 | 180 | 8xM16 |
| LXLCZ-100 | 100 | 250 | 301 | 400 | 250 | 210 | 8xM16 |
| LXLCZ-125 | 125 | 300 | 346 | 500 | 285 | 240 | 8xM20 |
| LXLCZ-150 | 150 | 350 | 373 | 500 | 340 | 295 | 8xM20 |
| LXLCZ-200 | 200 | 450 | 493 | 730 | 395 | 350 | 12xM20 |
| LXLCZ-250 | 250 | 500 | 516 | 730 | 445 | 400 | 12xM20 |
| LXLCZ-300 | 300 | 500 | 560 | 730 | 520 | 470 | 12xM21 |
| LXLCZ-350 | 350 | 600 | 631 | 830 | 565 | 515 | 16xM24 |
| LXLCZ-400 | 400 | 800 | 785 | 930 | 715 | 650 | 20xM30 |
| LXLCZ-500 | 500 | 1000 | 865 | 1030 | 840 | 770 | 20xM33 |
| LXLCZ-600 | 600 | 1000 | 865 | 1030 | 840 | 770 | 20xM33 |
五、工作原理
目前市場上推出的大口徑光電直讀遠傳水表以采信方式加以區分有兩大類,即對射式直讀表和反射式直讀表。對射式字輪上留有過光孔,在字輪一側面安裝發光管,另一側安裝光敏管。發光管通電后發出的光線通過過光孔照射到光敏管上,由光敏管進行光電轉換,獲取相應的信號電位。過光孔與每組光管的數量是經過嚴格計算后進行設計的,轉動字輪,在讀數0-9各個位置上,獲取光線的光敏管位置及數量都不相同,由此進行編碼。反射式直讀表工作原理相同,所不同的是字輪上不制作過光孔,而是在字輪外圈印刷反射條碼,發光管發出的光線不是直接照射到光敏管上,而是通過反射條碼反射到光敏管上。
本類水表是對字輪采用編碼的方式,就是二進制原理0-1編碼方式。每一個代碼對應一個字輪可以讀到的數字。在抄表的時候只需要給一個脈沖電流即可,就可以讀到水表的讀數。
六、大口徑光電直讀遠傳水表與脈沖遠傳水表對比
光電直讀遠傳水表上讀出的數據就是表盤上顯示的數據,不是脈沖累加數據;水表數據以機械方式記錄在字輪上,平時不需供電,只在讀取數據的瞬間上電。因此,不怕停電、不怕斷線。從理論上講,它讀出的數據和表盤數據是一致的。
而脈沖遠傳水表傳出的信號是脈沖,微機將遠傳的一個個脈沖累加成數據,如果累加得準確無誤,其數據等于表盤數據。但是,在這一累加過程中,無論線路中斷還是后備電池斷電,累加就會中斷并造成數據錯誤,重新修復后,底數也要重新設置。
從以上兩者的對比可以看出,顯然大口徑光電直讀遠傳水表要更勝一籌,所以,自從光電直讀水表的概念產生以來,一直受到人們的追寵和關注。未來,脈沖水表將逐步被取代。